Õæ¿ÕÂËÓÍ»úµÄ½á¹¹Í¼
Õæ¿ÕÂËÓÍ»úµÄÊÂÇéÔÀí£º
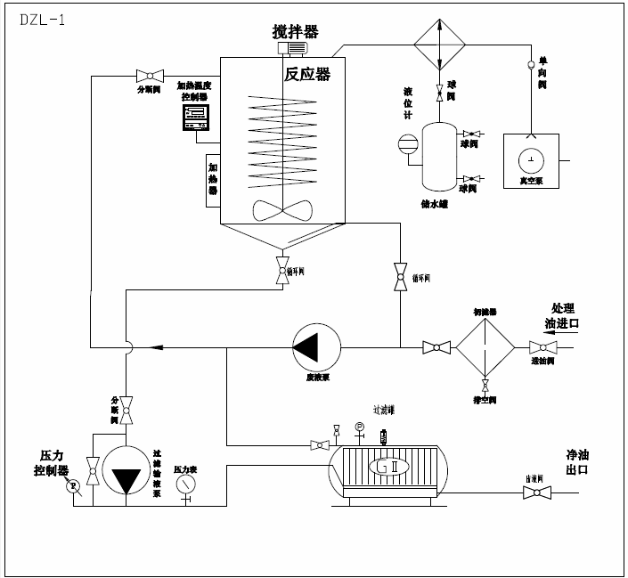
Õæ¿ÕÂËÓÍ»úÓÖ³ÆÕæ¿Õ¸ßЧÂËÓÍ»ú,ÂËÓÍ»ú,Õæ¿Õ¾»ÓÍ»ú¡£ÊÇÒ»¿îÓÃ;ÆÕ±é³ýÔÓ³ýË®ÓÐÓõÄ×°±¸¡£º£Äڵ糧¡¢µçÕ¾¡¢µçÁ¦¹«Ë¾¡¢Ò±½ð¡¢Ê¯»¯¡¢»úе¡¢½»Í¨¡¢Ìú·µÈÐÐÒµÖ÷Òª¹ýÂË×°±¸¡£Õæ¿Õ¾»ÓÍ»úÊÇÆ¾Ö¤Ë®ºÍÓ͵ķеã²î±ðÔÀí¶øÉè¼ÆµÄ£¬ËüÓÉÕæ¿Õ¼ÓÈȹ޾«ÂËÆ÷¡¢ÀäÄýÆ÷¡¢³õÂËÆ÷¡¢Ë®Ïä¡¢Õæ¿Õ±Ã¡¢ÅÅÓͱÃÒÔ¼°µçÆø¹ñ×é³ÉµÄ¡£Õæ¿Õ±Ã½«Õæ¿Õ¹ÞÄÚµÄ¿ÕÆø³é³öÐγÉÕæ¿Õ£¬ÔÚ´óÆøÑ¹Ç¿µÄ×÷ÓÃÏ£¬¾ÓÉÓÐÈë¿Ú¹ÜµÀ½øÈë³õÂËÆ÷£¬É¨³ý½Ï´óµÄ¿ÅÁ££¬È»ºó½øÈë¼ÓÈȹÞÄÚ£¬¾ÓɼÓÈȵÈ40~75¡æµÄÓÍͨ¹ý×Ô¶¯ÓÍÆ¯·§¡£¾ÓɼÓÈȺóµÄÓÍҺͨ¹ýÅçÒí·É¿ìÐýת½«ÓÍÊèÉ¢³É°ëÎí×´£¬ÓÍÖеÄË®·Ý¼±ËÙÕô·¢³ÉË®ÕôÆø²¢Ò»Á¬±»Õæ¿Õ±ÃÎüÈëÀäÄýÆ÷ÄÚ¡£½øÈëÀäÄýÆ÷µÄË®ÕôÆø¾ÀäÈ´ºóÔÙ·µÔ³ÉË®·Å³ö£¬ÔÚÕæ¿Õ¼ÓÈȹÞÄÚµÄÓÍÒº£¬±»ÅÅÓͱÃÅÅÈ뾫ÂËÆ÷ͨ¹ýÂËÓÍÖ½»òÂËо½«Î¢Á£ÔÓÖʹýÂ˳öÀ´£¬´Ó¶øÍê³ÉÕæ¿ÕÂËÓÍ»úѸËÙ³ýÈ¥ÓÍÖÐÔÓÖÊ¡¢Ë®·Ý¡¢ÆøÌåµÄÈ«Àú³Ì£¬Ê¹Çå½àµÄÓÍ´Ó³öÓÍ´¦ÇãÔþ»úÍâ¡£
Õæ¿ÕÂËÓÍ»úµÄ½á¹¹Í¼£º
Õæ¿ÕÂËÓÍ»ú½á¹¹ÖØ´ó£¬ÐèÒª¼¸Ê®¸ö°ì·¨²Å»ª»ñµÃÇå½àµÄÓÍÆ·¡£

w88win优德¹ýÂË×°±¸ÖÖÕæ¿ÕÂËÓÍ»ú°üÀ¨Ë«¼¶Õæ¿ÕÂËÓÍ»úºÍµ¥¼¶Õæ¿ÕÂËÓÍ»ú¡£¿É¹ýÂ˱äѹÆ÷ÓÍ¡¢ÒºÑ¹Ó͵ÈÈó»¬ÓÍ¡£Ëæ×Ź¤ÒµÊÖÒÕµÄÌáÉýÕæ¿ÕÂËÓÍ»ú¶ÔË®ºÍÔÓÖʵùýÂËÔ½À´Ô½¸ß£¬¿É´ï98%ÒÔÉÏ¡£
6

