w88win优德

板框滤油机用途和特征

用途

板框压力式滤油机主要用于电厂、电站、工矿企业的变电所(室)润滑油库、拖沓机站、石油、化工、冶金、国防工业等单位过滤变压器油、透平油、真空液压油、极压齿轮油、机械油及其它润滑油中的水份和杂质,是真空净油机、透平油过滤机用于前置初过滤的理想装备。

因受齿轮结构及装置结构的限制,对高粘度的油液不适用;对汽油、煤油等无滑性的油类,可凭证用户需要选用特殊质料用配用特种电机。当油液粘度较大时,应先将油加热(如接纳我厂生产的 DJL 系列加热装置),以降低油液粘度而便于过滤。如油液太脏,可先接纳沉淀的要领,将大宗的杂质除去后再用本滤油机举行过滤。

LY 型设计的全新型板框压力式滤油机,通过配备特殊推进式油泵,其 吸程和对油的粘度的适用规模比原来提高了一倍以上,噪音也在原来的基 础上有很洪流平的降低。

none

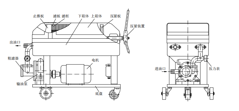
主要结构特征

滤油机是由过滤床,输油泵和粗滤器等部分组成的可移动装置。 过滤床是一种一连操作的,在压力作用下向侧面过滤的过滤器组压入 脏油,它是由成套的顺序交替排列的滤板和滤框以及包括有手动螺旋压紧 装置、压紧板的机构组成。滤板和滤框的侧面有“耳子”支持于机架的托 板上,滤板和滤框间衬有作为过滤介质的滤纸或滤布,借压紧装置的压力, 将滤板和滤框压紧在牢靠的止推板和滤框之间的滤纸或滤布,起过滤作用。

在滤板和滤框响应位置上设有两个通液孔,当压紧后组成为两条完整的通 道,耳子呈三角形的一边导入脏油,经由滤室过滤后,从另一边响应通道 (在耳子呈扇形的一边)引出清洁的油。 过滤时脏油经输入通道分派到各个滤框内,通过滤纸后进入滤板的通 液孔,清洁的油搜集于输出通道内,倾轧机外。而脏物留在滤纸外貌上, 脏油中的少量水份被滤纸中的毛细管吸收,当滤纸外貌的滤渣逐渐增厚及 滤纸中的水份含量增多,过滤阻力增添,当增添到一定水平(一样平常为 0.2~0.35Mpa)应阻止过滤,替换或洗濯滤纸,再继续使用。 齿轮泵与电念头用弹性橡胶垫联接,为阻止压力过高造成机械事故, 在油泵的下部设有清静阀(产品出厂时已调理到划定的最高压力 150%PN)。 凭证用户需要可将清静阀设定在较低的数值上,但一样平常不允许调理到凌驾 划定的最高压力值。

齿轮泵和电念头装在过滤床的下面,油泵输出的液体通过排送管、止 推板运送到过滤部分。 齿轮泵的齿轮由转动轴承支承,它是靠油泵自己运送的油液来润滑的。 粗滤器装置在油泵的吸入端,它的作用是避免大颗粒杂质进入油泵,
板框滤油机的结构简朴,使用规模广,价钱比真空滤油机低,是中小企业的首选。

none

免责说明:以上展示内容泉源于相助媒体、企业机构、网友提供或网络网络整理,版权争议与本站无关,文章涉及看法与看法不代表w88win优德滤油机网官方态度,请读者仅做参考。本文接待转载,转载请说明来由。若您以为本文侵占了您的版权信息,或您发明该内容有任何涉及有违公德、冒犯执法等违法信息,请您连忙联系w88win优德实时修正或删除。

相关新闻

分类

联系w88win优德

13452372176

可微信在线咨询

事情时间:周一至周五,9:30-18:30,节沐日休息

QR code
网站地图