w88win优德

板框滤油机的作用和原理

板框滤油机的作用

板框滤油机主要用于电厂、电站、工矿企业的变电所(室)润滑 油库、拖沓机站、石油、化工、冶金、国防工业等单位过滤变压器油、透 平油、真空液压油、极压齿轮油、机械油及其它润滑油中的水份和杂质 , 是真空净油机、透平油过滤机用于前置初过滤的理想装备 。 因受齿轮结构及装置结构的限制 ,对高粘度的油液不适用 ;对汽油、 煤油等无滑性的油类 ,可凭证用户需要选用特殊质料用配用特种电机 。当 油液粘度较大时 ,应先将油加热(如接纳我厂生产的 DJL 系列加热装置) , 以降低油液粘度而便于过滤 。如油液太脏 ,可先接纳沉淀的要领 ,将大宗 的杂质除去后再用本滤油机举行过滤 。

板框滤油机的原理

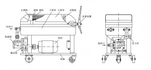
板框滤油机由过滤床 ,输油泵和粗滤器等部分组成的可移动装置 。

过滤床是一种一连操作的 ,在压力作用下向侧面过滤的过滤器组压入 脏油 ,它是由成套的顺序交替排列的滤板和滤框以及包括有手动螺旋压紧 装置、压紧板的机构组成 。滤板和滤框的侧面有“耳子”支持于机架的托 板上 ,滤板和滤框间衬有作为过滤介质的滤纸或滤布 ,借压紧装置的压力 , 将滤板和滤框压紧在牢靠的止推板和滤框之间的滤纸或滤布 ,起过滤作用 。 在滤板和滤框响应位置上设有两个通液孔 ,当压紧后组成为两条完整的通 道 ,耳子呈三角形的一边导入脏油 ,经由滤室过滤后 ,从另一边响应通道 (在耳子呈扇形的一边)引出清洁的油 。

过滤时脏油经输入通道分派到各个滤框内 ,通过滤纸后进入滤板的通 液孔 ,清洁的油搜集于输出通道内 ,倾轧机外 。而脏物留在滤纸外貌上 , 脏油中的少量水份被滤纸中的毛细管吸收 ,当滤纸外貌的滤渣逐渐增厚及 滤纸中的水份含量增多 ,过滤阻力增添 ,当增添到一定水平(一样平常为 0.2~0.35Mpa)应阻止过滤 ,替换或洗濯滤纸 ,再继续使用 。

齿轮泵与电念头用弹性橡胶垫联接 ,为阻止压力过高造成机械事故 , 在油泵的下部设有清静阀(产品出厂时已调理到划定的最高压力 150%PN) 。 凭证用户需要可将清静阀设定在较低的数值上 ,但一样平常不允许调理到凌驾 划定的最高压力值 。

齿轮泵和电念头装在过滤床的下面 ,油泵输出的液体通过排送管、止 推板运送到过滤部分 。 齿轮泵的齿轮由转动轴承支承 ,它是靠油泵自己运送的油液来润滑的 。

粗滤器装置在油泵的吸入端 ,它的作用是避免大颗粒杂质进入油泵 ,破损油泵 。当拧掉粗滤器盖上的螺栓 ,取下粗滤器盖时 ,就可直接将过滤 网取出洗濯 。当粗滤器内若是充满脏物时 ,不但使滤油能力迅速下降 ,还 有可能将过滤网损坏 ,因此 ,应经常注重洗濯粗过滤网 。 当箱内有存油时 ,可将回油阀翻开 ,吸走存油 ,避免存油溢出机外 。

none
板框滤油机操作说明
免责说明:以上展示内容泉源于相助媒体、企业机构、网友提供或网络网络整理 ,版权争议与本站无关 ,文章涉及看法与看法不代表w88win优德滤油机网官方态度 ,请读者仅做参考 。本文接待转载 ,转载请说明来由 。若您以为本文侵占了您的版权信息 ,或您发明该内容有任何涉及有违公德、冒犯执法等违法信息 ,请您连忙联系w88win优德实时修正或删除 。

相关新闻

分类

联系w88win优德

13452372176

可微信在线咨询

事情时间:周一至周五 ,9:30-18:30 ,节沐日休息

QR code
网站地图